日々の活動記録や、暇つぶしなどなど
nabeさんの新しい低電圧アンプを作ってみることにしました。
回路はそのまま…にしようと思ったんですが、終段のバイアスがどうしても気になったので実験できるように抵抗をはさむことにしました。

抵抗は全部ソケット式で使うつもりです。
なんせ秋葉の某所でnabeさんオススメの多摩電子工業LF抵抗が25本100円で手に入って物で。といってもそんなに種類なかったからとりあえずは秋月抵抗になる予定。
で、今回もEAGLEで配置を考える。
まえのnabeさんのアンプみたいに部品箱から発掘された基板の切れ端を利用します。
なので狭いし変な形。けどなんとか収まった気分です。

実は抵抗を増やしたおかげでずいぶん配線しやすくなった。
こりゃ思わぬ得をした気分w
後は明日か明後日に組み立てれば終わり。
問題は低電圧なOPアンプの入手…
とりあえず秋月で買える3V以下のやつは全部買ってみた。
回路はそのまま…にしようと思ったんですが、終段のバイアスがどうしても気になったので実験できるように抵抗をはさむことにしました。
抵抗は全部ソケット式で使うつもりです。
なんせ秋葉の某所でnabeさんオススメの多摩電子工業LF抵抗が25本100円で手に入って物で。といってもそんなに種類なかったからとりあえずは秋月抵抗になる予定。
で、今回もEAGLEで配置を考える。
まえのnabeさんのアンプみたいに部品箱から発掘された基板の切れ端を利用します。
なので狭いし変な形。けどなんとか収まった気分です。
実は抵抗を増やしたおかげでずいぶん配線しやすくなった。
こりゃ思わぬ得をした気分w
後は明日か明後日に組み立てれば終わり。
問題は低電圧なOPアンプの入手…
とりあえず秋月で買える3V以下のやつは全部買ってみた。
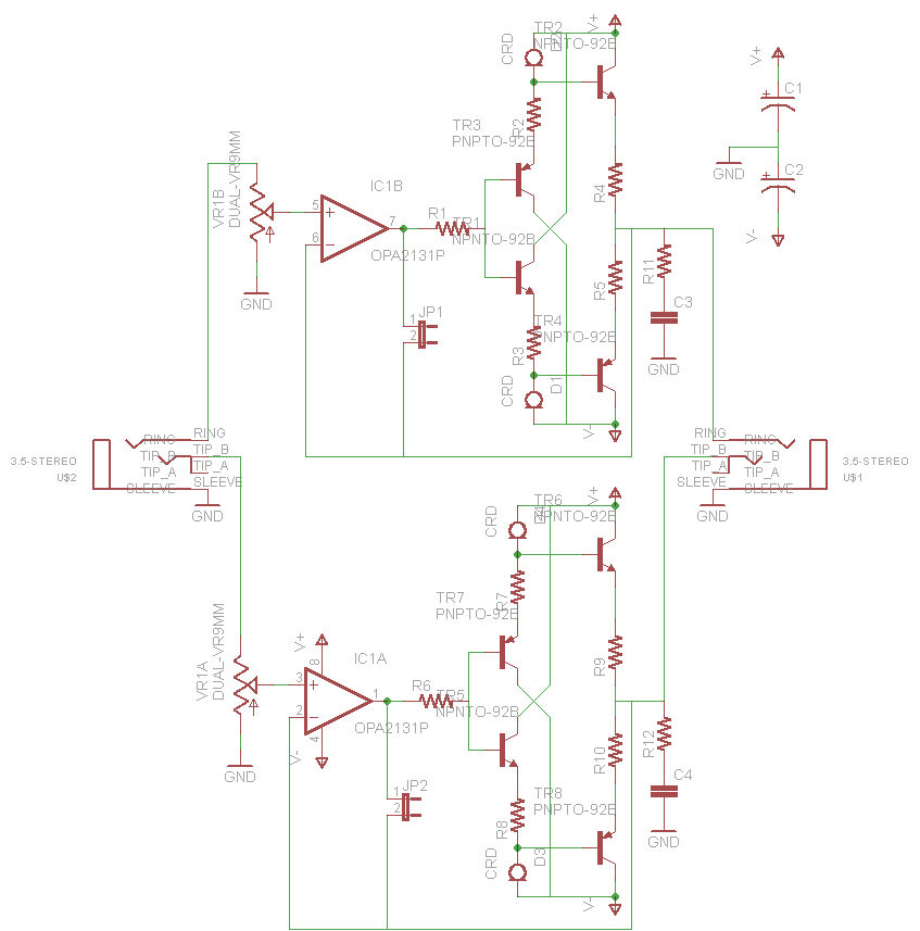
なんだかこの配置図・回路図を参考に作られている方がいらっしゃるようなので、もうちっとまじめなものを描きました。

まず、回路図ですが上のは位相補償フィルタをつけていません。
これは実験で自分の環境ではいらないだろうと判断したからです。
といってもLMP7732では発振する場合もあったので必要に応じてつけるべきです。
特に調べる環境がない場合はつけておくべきでしょう。

つづいて配置図。
自分が作ったのとは少し違いますが、精選されてると思ってください^^;
ボリュームはALPSの9mm角、端子は秋月の5個100円?のやつを足を伸ばして使ってます。これ小さくて好きです。
出力側だけケーブルでジャンパーする必要があります。(図中の黄色い細い線)
それ以外は表の直線ジャンパだけですむようにしてあります。
ただ、ところどころ干渉があやしい部分があるので様子を見ながら半田付けしないと組み立てられなくなります爆
電源スイッチは基板左の開いた部分に適当なのを。配線はコンデンサ付近にもっていってください。これは絶対です。
過去の経験から言って、電源供給ラインの場所で低音の歯切れは変わります。
以上なにか参考になればよいです。
まず、回路図ですが上のは位相補償フィルタをつけていません。
これは実験で自分の環境ではいらないだろうと判断したからです。
といってもLMP7732では発振する場合もあったので必要に応じてつけるべきです。
特に調べる環境がない場合はつけておくべきでしょう。
つづいて配置図。
自分が作ったのとは少し違いますが、精選されてると思ってください^^;
ボリュームはALPSの9mm角、端子は秋月の5個100円?のやつを足を伸ばして使ってます。これ小さくて好きです。
出力側だけケーブルでジャンパーする必要があります。(図中の黄色い細い線)
それ以外は表の直線ジャンパだけですむようにしてあります。
ただ、ところどころ干渉があやしい部分があるので様子を見ながら半田付けしないと組み立てられなくなります爆
電源スイッチは基板左の開いた部分に適当なのを。配線はコンデンサ付近にもっていってください。これは絶対です。
過去の経験から言って、電源供給ラインの場所で低音の歯切れは変わります。
以上なにか参考になればよいです。
PR
この記事にコメントする
もうすでに
基板を起こしていたのですね。
とりあえず部品を収めることは出来ていますが、あくまで収まってるだけなんですよね^^;
一応電源ラインとかは長く引き回さないように、位は気をつけています。
ヘッドフォンアンプなんで自分はチャンネルセパレーションは低くていいと思ってるんですよね。
とりあえず部品を収めることは出来ていますが、あくまで収まってるだけなんですよね^^;
一応電源ラインとかは長く引き回さないように、位は気をつけています。
ヘッドフォンアンプなんで自分はチャンネルセパレーションは低くていいと思ってるんですよね。
カウンター
委託案内
アンプ基板や同人誌を委託販売しています.リンクからどうぞ.(外部サイト)
・HA10mini基板セット
・HA10mini終段基板
・HA10miniハイパワーキット
・HPA&Analog vol.6冊子版
・同人誌DL委託
・同人誌DL委託(旧サークル名)
・HA10mini基板セット
・HA10mini終段基板
・HA10miniハイパワーキット
・HPA&Analog vol.6冊子版
・同人誌DL委託
・同人誌DL委託(旧サークル名)
ブログ内検索
カレンダー
| 09 | 2025/10 | 11 |
| S | M | T | W | T | F | S |
|---|---|---|---|---|---|---|
| 1 | 2 | 3 | 4 | |||
| 5 | 6 | 7 | 8 | 9 | 10 | 11 |
| 12 | 13 | 14 | 15 | 16 | 17 | 18 |
| 19 | 20 | 21 | 22 | 23 | 24 | 25 |
| 26 | 27 | 28 | 29 | 30 | 31 |
最新記事
最新トラックバック
カテゴリー
SilverLight
アクセス解析
広告
